2025.12.08
業務効率が大幅向上!「道路占用図作成機能」で申請業務をさらに強力にサポート!
このたび、お客様からのご要望にお応えした既存の「道路掘削図作成」機能を大幅に機能アップさせた「道路占用図作成」機能をリリースいたしました!
💡「道路掘削図作成」機能から「道路占用図作成」機能へ!3つの進化ポイント
従来の掘削図の作成機能に加え、道路占用図作成に必要な要素を強化しよりスムーズな作図を可能にしました。
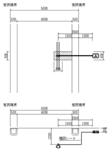
1. 平面図・断面図の連携強化と自動作図精度向上
配管情報や掘削情報に加え、道路の幅員、側溝の位置、埋設物などを入力することで、道路占用図に必要な平面図・断面図をより正確かつスピーディーに作成できます。
「プリセット機能」により入力内容のパターンを保存することができるので作業の標準化も実現できます。
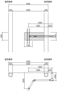
2. 占用の詳細な情報表現に対応
単なる掘削範囲だけでなく、占用物件(給排水管、桝など)の詳細な位置や寸法、曲管のタイプや角度、桝のタイプや口径、受け口、蓋タイプを指定することで、それらがすべて図面に反映され、分かりやすく表現するためのツールを充実させました。
●給水取出管

●下水道取付管

3. 舗装復旧断面を自動作成
掘削幅や影響幅を指定します。階層は9階層まで指定でき、それぞれ路盤幅、路盤厚そして各階層の名称を指定することで簡単に舗装復旧断面が作成できます。
●舗装復旧断面

🔧 導入メリット:お客様の申請業務に貢献
時間短縮 : 図面作成の手間が大幅に削減され、道路占用図面作成にかかる時間を短縮できます。
正確性の向上 : 自動作図と連携機能により手作業によるミスや記載漏れを防ぎ、道路占用図面の正確性が向上します。
スムーズな承認: 申請に必要な情報が過不足なくかつ正確に表現された図面を作成できるため手戻りのリスクを軽減します。
📞 詳細・お問い合わせ
新機能に関するご質問や、バージョンアップ、デモンストレーションのご要望がございましたら、お気軽に弊社担当者または以下よりお問い合わせください。
松嶋